![]() |

|
|
||||||||||||||||||||||||||||||||||||||||||||||||||||||||||||||||||||||||||||||||||||||||||||||||||||||||||||||||||||||||||||||||||||||||||||||||||||||||||||||||||||||||||||||||||||||||||||||||||||||||||||||||||||||||||||||||||||||||||||||||||||||||||||||||||||||||||||||||||||||||||||||||||||||||||||||||||||||||||||||||||||||||||||||||||||||||||||||||||||||||||||||||||||||||||||||||||||||||||||||||||||||||||||||||||||||||||||||||||||||||||||||||||||||||||||||||||||||||||||||||||||||||||||||||||||||||||||||||||||||||||||||||||||||||||||||||||||||||||||||||||||||||||||||||||||||||||||||||||||||||||||||||||||||||||||||||||||||||||||||||||||||||||||||||||||||||||||||||||||||||||||||||||||||||||||||||||||||||||||||||||||||||||||||||||||||||||||||||||||||||||||||||||||||||||||||||||||||||||||||||||||||||||||||||||||||||||||||||||||||||||||||||||||||||||||||||||||||||||||||||||||||||||||||||||||||||||||||||||||||||||||||||||||||||||||||||||||||||||||||||||||||||||||||||||||||||||||||||||||||
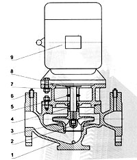
KQH立式單級化工泵

|
|
|||||||||||||||||||
| 使用范圍 | |||||||||||||||||||
|
KQH立式單級化工泵適用于化工、石油、冶金、造紙、食品、制藥、合成纖維等工業部門輸送有腐蝕性、粘度類似水的介質。本系列泵流量:2.2~240m3,揚程:2.8m~87m,介質溫度:-10℃~80℃,Z大工作壓力:1.6Mpa。KQH化工泵在傳統IH型泵的基礎上,吸取了龍亞現有的管道泵成熟技術,并加入了便維功能的創新設計,是IH型及F型化工離心泵的理想換代產品,KQH化工泵特點如下: ◆節省投資和運行費用 ◇便于管道聯結:泵進出口口徑相同,且位于同一直線上 ◇立式結構,占地面積Z小 ◇便于維護:更換機封、葉輪時不用動管路。電機功率較大時,更換機封不用動支架和電機;更換機封和葉輪不用動電機。創新設計使得維護工作輕松、快捷 ◇高效節能:采用YX水力模型,進行D特改進及CAD優化,整泵運行效率更高 ◆泵運行平穩可靠 ◇機封無泄漏、壽命長:機封采用SJMP;D特設計為機封創造Z佳運行環境 ◇采用優質不銹鋼,耐腐耐用 ◇轉子運行平穩:YX的水力設計、嚴格的平衡工序將軸向力和徑向力降ZZ小,整泵運行平穩,振動小、噪聲低
|
|||||||||||||||||||
| 結構說明 | |||||||||||||||||||
![]() |
|
||||||||||||||||||
六、性能參數表:
|
泵型號 |
流量 |
揚程 |
效率 |
轉速 |
電機功率 |
汽蝕佘量 |
|
|
(m 3 /h) |
(l/s) |
||||||
|
65-100 |
25 |
6.94 |
12.5 |
69 |
2900 |
1.5 |
2.5 |
|
65-100A |
22.3 |
6.19 |
10 |
67 |
2900 |
1.1 |
2.5 |
|
65-125 |
25 |
6.94 |
20 |
68 |
2900 |
3.0 |
2.5 |
|
65-125A |
22.3 |
6.19 |
16 |
66 |
2900 |
2.2 |
2.5 |
|
65-160 |
25 |
6.94 |
32 |
63 |
2900 |
4.0 |
2.5 |
|
65-160A |
23.4 |
6.5 |
28 |
62 |
2900 |
4.0 |
2.5 |
|
65-160B |
21.6 |
6.0 |
24 |
58 |
2900 |
3.0 |
2.5 |
|
65-200 |
25 |
6.94 |
50 |
58 |
2900 |
7.5 |
2.5 |
|
65-200A |
23.5 |
6.53 |
44 |
57 |
2900 |
7.5 |
2.5 |
|
65-200B |
21.8 |
6.06 |
38 |
55 |
2900 |
5.5 |
2.5 |
|
65-250 |
25 |
6.94 |
80 |
50 |
2900 |
15 |
2.5 |
|
65-250A |
23.4 |
6.5 |
70 |
50 |
2900 |
11 |
2.5 |
|
65-250B |
21.6 |
6.0 |
60 |
49 |
2900 |
11 |
2.5 |
|
65-315 |
25 |
6.94 |
125 |
40 |
2900 |
30 |
2.5 |
|
65-315A |
23.7 |
6.58 |
113 |
40 |
2900 |
22 |
2.5 |
|
65-315B |
22.5 |
6.25 |
101 |
39 |
2900 |
18.5 |
2.5 |
|
65-315C |
20.6 |
5.72 |
85 |
38 |
2900 |
15 |
2.5 |
|
65-100(I) |
50 |
13.9 |
12.5 |
73 |
2900 |
3.0 |
3.0 |
|
65-100(I)A |
44.7 |
12.4 |
10 |
72 |
2900 |
2.2 |
3.0 |
|
65-125(I) |
50 |
13.9 |
20 |
72.5 |
2900 |
5.5 |
3.0 |
|
65-125(I)A |
45 |
12.5 |
16 |
71 |
2900 |
4.0 |
3.0 |
|
65-160(I) |
50 |
13.9 |
32 |
71 |
2900 |
7.5 |
3.0 |
|
65-160(I)A |
46.7 |
13.0 |
28 |
70 |
2900 |
7.5 |
3.0 |
|
65-160(I)B |
43.3 |
12.0 |
24 |
69 |
2900 |
5.5 |
3.0 |
|
65-200(I) |
50 |
13.9 |
50 |
67 |
2900 |
15 |
3.0 |
|
65-200(I)A |
47 |
13.1 |
44 |
66 |
2900 |
11 |
3.0 |
|
65-200(I)B |
43.5 |
12.1 |
38 |
65 |
2900 |
7.5 |
3.0 |
|
65-250(I) |
50 |
13.9 |
80 |
59 |
2900 |
22 |
3.0 |
|
65-250(I)A |
46.7 |
13.0 |
70 |
59 |
2900 |
18.5 |
3.0 |
|
65-250(I)B |
43.3 |
12.0 |
60 |
58 |
2900 |
15 |
3.0 |
|
65-315(I) |
50 |
13.9 |
125 |
54 |
2900 |
37 |
3.0 |
|
65-315(I)A |
46.5 |
12.9 |
110 |
54 |
2900 |
30 |
3.0 |
|
65-315(I)B |
44.5 |
12.4 |
100 |
53 |
2900 |
30 |
3.0 |
|
65-315(I)C |
41 |
11.4 |
85 |
51 |
2900 |
22 |
3.0 |
|
80-100 |
50 |
13.9 |
12.5 |
73 |
2900 |
3.0 |
3.0 |
|
80-100A |
44.7 |
12.5 |
10 |
72 |
2900 |
2.2 |
3.0 |
|
80-125 |
50 |
13.9 |
20 |
72.5 |
2900 |
5.5 |
3.0 |
|
80-125A |
45 |
12.5 |
16 |
71 |
2900 |
4.0 |
3.0 |
|
80-160 |
50 |
13.9 |
32 |
71 |
2900 |
7.5 |
3.0 |
|
80-160A |
46.7 |
13.0 |
28 |
70 |
2900 |
7.5 |
3.0 |
|
80-160B |
43.3 |
12.0 |
24 |
69 |
2900 |
5.5 |
3.0 |
|
80-200 |
50 |
13.9 |
50 |
67 |
2900 |
15 |
3.0 |
|
80-200A |
47 |
13.1 |
44 |
66 |
2900 |
11 |
3.0 |
|
80-200B |
43.5 |
12.1 |
38 |
65 |
2900 |
7.5 |
3.0 |
|
80-250 |
50 |
13.9 |
80 |
59 |
2900 |
22 |
3.0 |
|
80-250A |
46.7 |
13.0 |
70 |
59 |
2900 |
18.5 |
3.0 |
|
80-250B |
43.3 |
12.0 |
60 |
58 |
2900 |
15 |
3.0 |
|
80-315 |
50 |
13.9 |
125 |
54 |
2900 |
37 |
3.0 |
|
80-315A |
46.5 |
12.9 |
110 |
54 |
2900 |
30 |
3.0 |
|
80-315B |
44.5 |
12.4 |
100 |
53 |
2900 |
30 |
3.0 |
|
80-315C |
41 |
11.4 |
85 |
51 |
2900 |
22 |
3.0 |
|
80-100(I) |
100 |
27.8 |
12.5 |
76 |
2900 |
5.5 |
4.5 |
|
80-100(I)A |
89 |
24.7 |
10 |
74 |
2900 |
4.0 |
4.5 |
|
80-125(I) |
100 |
27.8 |
20 |
76 |
2900 |
11 |
4.5 |
|
80-125(I)A |
89 |
24.7 |
16 |
74 |
2900 |
7.5 |
4.5 |
|
80-160(I) |
100 |
27.8 |
32 |
76 |
2900 |
15 |
4.5 |
|
80-160(I)A |
93.5 |
26.0 |
28 |
74 |
2900 |
11 |
4.5 |
|
80-160(I)B |
86.6 |
24.1 |
24 |
72 |
2900 |
11 |
4.5 |
|
80-200(I) |
100 |
27.8 |
50 |
74 |
2900 |
22 |
4.0 |
|
80-200(I)A |
93.5 |
26.0 |
44 |
73 |
2900 |
18.5 |
4.0 |
|
80-200(I)B |
87 |
24.2 |
38 |
71 |
2900 |
15 |
4.0 |
|
80-250(I) |
100 |
27.8 |
80 |
69 |
2900 |
37 |
4.0 |
|
80-250(I)A |
93.5 |
26.0 |
70 |
68 |
2900 |
30 |
4.0 |
|
80-250(I)B |
87 |
24.2 |
60 |
66 |
2900 |
30 |
4.0 |
|
80-315(I) |
100 |
27.8 |
125 |
66 |
2900 |
75 |
4.0 |
|
80-315(I)A |
95 |
26.4 |
113 |
66 |
2900 |
55 |
4.0 |
|
80-315(I)B |
90 |
25 |
101 |
65 |
2900 |
45 |
4.0 |
|
80-315(I)C |
82 |
22.8 |
85 |
63 |
2900 |
37 |
4.0 |
|
泵型號 |
流量 |
揚程 |
效率 |
轉速 |
電機功率 |
汽蝕佘量 |
|
|
(m 3 /h) |
(l/s) |
||||||
|
100-100 |
100 |
27.8 |
12.5 |
76 |
2900 |
5.5 |
4.5 |
|
100-100A |
89 |
47 |
10 |
74 |
2900 |
4.0 |
4.5 |
|
100-125 |
100 |
27.8 |
20 |
76 |
2900 |
11 |
4.5 |
|
100-125A |
89 |
24.7 |
16 |
74 |
2900 |
7.5 |
4.5 |
|
100-160 |
100 |
27.8 |
32 |
76 |
2900 |
15 |
4.5 |
|
100-160A |
93.5 |
26.0 |
28 |
74 |
2900 |
11 |
4.5 |
|
100-160B |
86.5 |
24.1 |
24 |
72 |
2900 |
11 |
4.5 |
|
100-200 |
100 |
27.8 |
50 |
74 |
2900 |
22 |
4.0 |
|
100-200A |
93.5 |
26.0 |
44 |
73 |
2900 |
18.5 |
4.0 |
|
100-200B |
87 |
24.2 |
38 |
71 |
2900 |
15 |
4.0 |
|
100-250 |
100 |
27.8 |
80 |
69 |
2900 |
37 |
4.0 |
|
100-250A |
93.5 |
26.0 |
70 |
68 |
2900 |
30 |
4.0 |
|
100-250B |
87 |
24.2 |
60 |
66 |
2900 |
30 |
4.0 |
|
100-315 |
100 |
27.8 |
125 |
66 |
2900 |
75 |
4.0 |
|
100-315A |
95 |
26.4 |
113 |
66 |
2900 |
55 |
4.0 |
|
100-315B |
90 |
25.0 |
101 |
65 |
2900 |
45 |
4.0 |
|
100-315C |
82 |
22.8 |
85 |
63 |
2900 |
37 |
4.0 |
|
125-100 |
160 |
44.4 |
12.5 |
82 |
2900 |
11 |
4.0 |
|
125-100A |
143 |
39.7 |
10 |
77 |
2900 |
7.5 |
4.0 |
|
125-125 |
160 |
44.4 |
20 |
80 |
2900 |
15 |
4.0 |
|
125-125A |
143 |
39.7 |
16 |
77 |
2900 |
11 |
4.0 |
|
125-160 |
160 |
44.4 |
32 |
78 |
2900 |
22 |
4.0 |
|
125-160A |
150 |
41.7 |
28 |
76 |
2900 |
18.5 |
4.0 |
|
125-160B |
138 |
38.3 |
24 |
73 |
2900 |
15 |
4.0 |
|
125-200 |
160 |
44.4 |
50 |
77 |
2900 |
37 |
5.5 |
|
125-200A |
150 |
41.7 |
44 |
76 |
2900 |
30 |
5.5 |
|
125-200B |
138 |
38.3 |
37.5 |
75 |
2900 |
30 |
5.5 |
|
125-250 |
160 |
44.4 |
80 |
75 |
2900 |
55 |
5.0 |
|
125-250A |
150 |
41.7 |
70 |
74 |
2900 |
45 |
5.0 |
|
125-250B |
138 |
38.3 |
60 |
73 |
2900 |
37 |
5.0 |
|
125-315 |
160 |
44.7 |
125 |
70 |
2900 |
90 |
5.0 |
|
125-315A |
150 |
41.7 |
110 |
70 |
2900 |
75 |
5.0 |
|
125-315B |
143 |
39.7 |
100 |
69 |
2900 |
75 |
5.0 |
|
125-315C |
134 |
37.2 |
88 |
67 |
2900 |
55 |
5.0 |
|
150-200 |
200 |
55.6 |
12.5 |
78 |
1450 |
15 |
3.0 |
|
150-200A |
176 |
49.7 |
10 |
76 |
1450 |
11 |
3.0 |
|
150-250 |
200 |
55.6 |
20 |
79 |
1450 |
18.5 |
3.0 |
|
150-250A |
184.4 |
51.2 |
17 |
78 |
1450 |
15 |
3.0 |
|
150-250B |
167 |
46.4 |
14 |
76 |
1450 |
11 |
3.0 |
|
150-315 |
200 |
55.6 |
32 |
78 |
1450 |
30 |
3.5 |
|
150-315A |
187 |
51.9 |
28 |
77 |
1450 |
22 |
3.5 |
|
150-315B |
173 |
48.1 |
24 |
76 |
1450 |
18.5 |
3.5 |
|
150-400 |
200 |
55.6 |
50 |
75 |
1450 |
45 |
3.5 |
|
150-400A |
187 |
51.9 |
44 |
74 |
1450 |
37 |
3.5 |
|
150-400B |
174 |
48.3 |
38 |
73 |
1450 |
30 |
3.5 |
|
150-400V |
160 |
44.4 |
32 |
71 |
1450 |
22 |
3.5 |
|
150-250(I) |
200 |
55.6 |
80 |
76 |
2900 |
75 |
4.5 |
|
150-250(I)A |
187 |
51.9 |
70 |
75 |
2900 |
55 |
4.5 |
|
150-250(I)B |
173 |
48.1 |
60 |
74 |
2900 |
45 |
4.5 |
|
150-315(I) |
200 |
55.6 |
125 |
73 |
2900 |
111 |
4.5 |
|
150-315(I)A |
187 |
51.9 |
110 |
72 |
2900 |
90 |
4.5 |
|
150-315(I)B |
173 |
48.1 |
95 |
70 |
2900 |
75 |
4. |
|
泵型號 |
流量 |
揚程 |
效率 |
轉速 |
電機功率 |
汽蝕佘量 |
|
|
(m 3 /h) |
(l/s) |
||||||
|
200-200 |
200 |
55.6 |
12.5 |
78 |
1450 |
15 |
3.0 |
|
200-200A |
179 |
49.7 |
10 |
76 |
1450 |
11 |
3.0 |
|
200-250 |
200 |
55.6 |
20 |
79 |
1450 |
18.5 |
3.0 |
|
200-250A |
184.4 |
51.2 |
17 |
78 |
1450 |
15 |
3.0 |
|
200-250B |
167 |
46.4 |
14 |
76 |
1450 |
11 |
3.0 |
|
200-315 |
200 |
55.6 |
32 |
78 |
1450 |
30 |
3.5 |
|
200-315A |
189 |
51.9 |
28 |
77 |
1450 |
22 |
3.5 |
|
200-315B |
173 |
48.1 |
24 |
76 |
1450 |
18.5 |
3.5 |
|
200-400 |
200 |
55.6 |
50 |
75 |
1450 |
45 |
3.5 |
|
200-400A |
187 |
51.9 |
44 |
74 |
1450 |
37 |
3.5 |
|
200-400B |
174 |
48.6 |
38 |
73 |
1450 |
30 |
3.5 |
|
200-400C |
160 |
44.4 |
32 |
71 |
1450 |
22 |
3.5 |
|
200-200(I) |
400 |
111.1 |
12.5 |
80 |
1450 |
22 |
4.0 |
|
200-200(I)A |
358 |
99.4 |
10 |
73 |
1450 |
18.5 |
4.0 |
|
200-250(I) |
400 |
111.1 |
20 |
80 |
1450 |
30 |
4.0 |
|
200-250(I)A |
358 |
99.4 |
16 |
78 |
1450 |
22 |
4.0 |
|
200-250(I)B |
322 |
89.4 |
13 |
75 |
1450 |
18.5 |
4.0 |
|
200-315(I) |
400 |
111.4 |
32 |
80 |
1450 |
55 |
4.0 |
|
200-315(I)A |
374 |
103.9 |
28 |
79 |
1450 |
45 |
4.0 |
|
200-315(I)B |
346 |
96.1 |
, 24 |
78 |
1450 |
37 |
4.0 |
|
200-400(I) |
400 |
111.4 |
50 |
81 |
1450 |
75 |
4.0 |
|
200-400(I)A |
374 |
103.9 |
44 |
80 |
1450 |
75 |
4.0 |
|
200-400(I)B |
346 |
96.1 |
38 |
78 |
1450 |
55 |
5.0 |
|
200-400(I)C |
320 |
88.9 |
32 |
76 |
1450 |
45 |
5.0 |
|
300-235 |
720 |
200 |
18 |
81 |
970 |
55 |
5.0 |
|
300-235A |
607 |
182.5 |
15 |
79 |
970 |
45 |
5.0 |
|
300-235B |
600 |
167.0 <, /TD> |
12.5 |
77 |
970 |
37 |
5.0 |
|
300-300 |
720 |
200 |
28 |
81 |
970 |
75 |
5.0 |
|
300-300A |
666 |
185 |
24 |
80 |
970 |
75 |
5.0 |
|
300-300B |
623 |
173.1 |
21 |
79 |
970 |
55 |
5.0 |
|
300-380 |
720 |
200 |
44 |
84 |
970 |
132 |
5.0 |
|
300-380A |
666 |
185 |
38 |
80 |
970 |
110 |
5.0 |
|
300-380B |
614 |
170.6 |
32 |
78 |
970 |
90 |
5.0 |
|
300-235(I) |
1080 |
300 |
40 |
82 |
1450 |
160 |
5.5 |
|
300-235(I)A |
965 |
268.1 |
32 |
80 |
1450 |
132 |
5.5 |
|
300-250 |
720 |
200 |
20 |
83 |
1450 |
55 |
6.0 |
|
300-250A |
600 |
166 |
17 |
81 |
1450 |
45 |
6.0 |
|
300-300 |
720 |
200 |
28 |
82 |
1480 |
75 |
5.0 |
|
300-300A |
600 |
166 |
24 |
80 |
1480 |
75 |
5.0 |
|
300-300B |
540 |
150 |
21 |
78 |
1480 |
55 |
5.0 |
|
300-315 |
720 |
200 |
32 |
84 |
1480 |
90 |
4.5 |
|
300-315A |
650 |
180 |
28 |
80 |
1480 |
75 |
4.5 |
|
300-315B |
580 |
161 |
24 |
78 |
1480 |
55 |
4.5 |
|
300-380 |
720 |
200 |
44 |
84 |
970 |
132.0 |
5.0 |
|
300-380A |
666 |
185 |
38 |
80 |
970 |
110.0 |
5.0 |
|
300-380B |
614 |
170.6 |
32 |
78 |
970 |
90.0 |
5.0 |
|
300-390 |
720 |
200 |
18 |
81 |
980 |
55 |
5.0 |
|
300-390A |
600 |
167 |
15 |
79 |
980 |
45 |
5.0 |
|
300-390B |
540 |
150 |
12.5 |
77 |
980 |
37 |
5.0 |
|
300-400 |
600 |
166 |
50 |
78 |
1480 |
110 |
5.0 |
|
300-480 |
720 |
200 |
28 |
81 |
980 |
75 |
5.0 |
|
300-480A |
600 |
166 |
24 |
80 |
980 |
75 |
5.0 |
|
300-480B |
540 |
150 |
21 |
79 |
980 |
55 |
5.0 |
|
350-235 |
800 |
222 |
12.5 |
83 |
1480 |
37 |
4.5 |
|
350-300 |
800 |
222 |
20 |
82 |
1480 |
55 |
4.5 |
|
350-315 |
800 |
222 |
32 |
84 |
1480 |
90 |
4.5 |
|
350-400 |
800 |
222 |
50 |
83 |
1480 |
160 |
4.5 |
|
400-300 |
1080 |
300 |
20 |
78 |
1480 |
90 |
6.0 |
|
400-315 |
1080 |
300 |
32 |
76 |
1480 |
132 |
6.0 |
|
500-300 |
1200 |
333 |
20 |
80 |
1480 |
110 |
6.0 |
|
500-315 |
1200 |
222 |
32 |
78 |
1480 |
160 |
6.0 |