![]() |

|
|
|||||||||||||||||||||||||||||||||||||||||||||||||||||||||||||||||||||||||||||||||||||||||||||||||||||||||||||||||||||||||||||||||||||||||||||||||||||||||||||||||||||||||||||||||||||||||||||
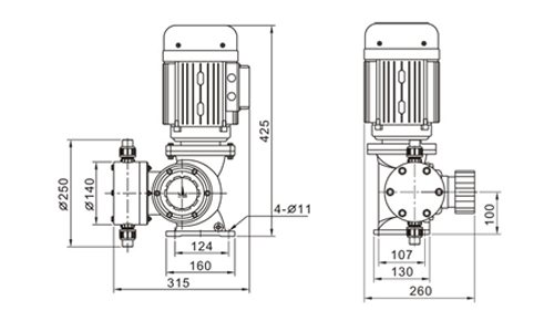
GM系列電動型機械隔膜式計量泵

產品介紹
流量范圍:0-420 lph
壓力范圍: 0-1.0MPA
電機功率: 370W,220V / 380V / 400V, 50/60Hz
驅動系統: 兩相、三相電機或防爆電機
防護等級: IP55
流量控制:手動控制, 自動控制(接收4-20mA 信號)
材料
泵頭: SUS304, SUS316, PVC, PTFE
隔膜: PTFE
單向閥: SUS304, SUS316, PVC, PTFE
閥球: ZrO2, SUS304, SUS316, 陶瓷
工作條件
環境溫度: -30℃ --- 60℃
電機: 兩相、三相標準電機或防爆電機
電機功率: 370W,220V / 380V / 400V, 50/60Hz
防護等級: IP55
新款技術參數表:
|
型號 |
型號(L/h) |
壓力(Mpa) |
沖次 |
功率(kw) |
進出口徑(DN) |
重量(kg) |
|
GM25/1.0 |
25 |
1.0 |
48 |
0.37 |
ф6軟管 |
22 |
|
GM50/1.0 |
50 |
1.0 |
48 |
0.25 |
15 |
|
|
GM80/0.7 |
80 |
0.7 |
96 |
0.37 |
15 |
|
|
GM120/0.7 |
120 |
0.7 |
48 |
0.37 |
15 |
|
|
GM170/0.7 |
170 |
0.7 |
96 |
0.37 |
15 |
|
|
GM240/0.5 |
240 |
0.5 |
96 |
0.37 |
15 |
|
|
GM320/0.5 |
320 |
0.5 |
144 |
0.55 |
15 |
28 |
|
GM420/0.4 |
420 |
0.4 |
144 |
0.55 |
15 |
|
| GM500/0.3 | 500 | 0.3 | 144 | 0.55 | 15 |
以下為老款GM計量泵技術參數:
|
型號 |
型號(L/h) |
壓力(Mpa) |
沖次 |
功率(kw) |
進出口徑(DN) |
重量(kg) |
|
GM25/1.0 |
25 |
1.0 |
48 |
0.37 |
ф8軟管 |
22 |
|
GM50/1.0 |
50 |
1.0 |
48 |
0.37 |
ф8軟管 |
|
|
GM80/0.7 |
80 |
0.7 |
96 |
0.37 |
15 |
|
|
GM120/0.7 |
120 |
0.7 |
48 |
0.37 |
15 |
|
|
GM170/0.7 |
170 |
0.7 |
96 |
0.37 |
15 |
|
|
GM240/0.7 |
240 |
0.5 |
96 |
0.37 |
15 |
|
|
GM320/0.7 |
320 |
0.5 |
144 |
0.55 |
15 |
28 |
|
GM450/0.7 |
450 |
0.5 |
144 |
0.55 |
15 |
以下為GM系列計量泵2015款參數表:
|
型號 |
流量 |
壓力 |
|
(系列) |
(L/h) |
(Mpa) |
|
GM0002 |
2.25 |
1.2 |
|
GM0005 |
4.5 |
1.2 |
|
GM0010 |
9 |
1.2 |
|
GM0025 |
22 |
1.2 |
|
GM0050 |
44 |
1.0 |
|
GM0090 |
85 |
0.7 |
|
GM0120 |
120 |
0.7 |
|
GM0170 |
170 |
0.7 |
|
GM0240 |
240 |
0.7 |
|
GM0330 |
315 |
0.5 |
|
GM0400 |
400 |
0.5 |
|
GM0500 |
500 |
0.5 |
特點
1. 操作安全,機械驅動隔膜。
2. 密封性好,無泄漏,裝配維修簡單安全。
3.它可以傳輸高粘度介質,腐蝕性液體和危險性的化學品。
4.流量調節能夠調節沖程長度或電機頻率。
5.隔膜為多層復合結構壓制而成,DY層超韌性Teflon耐酸薄膜,第二層EPDM彈性橡膠,第三層3.0mmSUS304支撐鐵芯,第四層采用強化尼龍纖維補,第五層采用EPDM彈性橡膠完全包履,可有效提出升隔膜適用壽命。
。
應用
廣泛應用于石油化工、化工、電力、冶金、采礦、造船、輕工、農業、國防等工業。
|
![]() |
|


自動沖程控制計量泵
沖程控制器通過接收輸入控制信號,改變沖程調節螺桿
的位置,從而改變計量泵每一沖程長度并Z終調節泵輸
出流量,達到自動控制的目的。
操作環境: 0~50℃
電壓: 220V±10%,單相,50Hz
速度: 16 秒/轉
功耗:20VA
防護等級:IP65
輸入控制信號:4-20 Ma(輸入抗阻120Ω)
輸出反饋信號:4-20mA(輸入抗阻 100-150Ω)
信號線電磁兼容性要求: 按EN50081-1和 EN50082-2

