![]() |

|
|
|||||||||||||||||||||||||||||||||||||||||||||||||||||||||||||||||||||||||||||||||||||||||||||||||||||||||||||||||||||||||||||||||||||||||||||||||||||||||||||||||||||||||||||||||||||||||||||||||||||||||||||||||||||||||||||||||||||||||||||||||||||||||||||||||||
J-X系列柱塞式計量泵(高壓計量泵)

產品介紹
可調流量范圍: 0-150 L/H
壓力范圍: 0-50MPA
電機功率: 0.37KW, 0.55KW, 220V / 380V / 400V, 50/60HZ
驅動系統: 兩相、三相標準電機或防爆電機
流量控制方式:手動控制, 自動控制
防護等級: IP55,IP54
材料
泵頭: SUS304, SUS316
隔膜: PTFE
單向閥: SUS304, SUS316, PVC, PTEF
閥球: 氧化鋯、304、316、陶瓷、二氧化硅
工作條件
環境溫度: -30℃ --- 90℃
新款技術參數表:
| 型號MODEL | 流量(L/H) | 電機功率 | 柱塞直徑 (mm) |
行程 (mm) |
泵速 (min-1) |
進出口徑 (DN) |
重量(kg) | |
| 0.37kw | 0.55kw | |||||||
| 壓力(Mpa) | ||||||||
| J-X□/50 | 1.2 | *** | 50 | 6 | 20 | 48 | 6 接管套 |
15 |
| J-X□/45/38 | 2.5 | 38 | 45 | 6 | 96 | |||
| J-X□/32/21 | 4.2 | 21 | 32 | 8 | ||||
| J-X□/20/13 | 8.0 | 13 | 20 | 10 | ||||
| J-X□/14/9.0 | 12 | 9.0 | 14 | 12 | ||||
| J-X□/7.6/5.4 | 20 | 5.4 | 7.6 | 16 | ||||
| J-X□/5.0/3.5 | 32 | 3.5 | 5.0 | 20 | ||||
| J-X□/3.2/2.2 | 50 | 2.2 | 3.2 | 25 | 10 接管套 |
28 | ||
| J-X□/2.5/1.7 | 65 | 1.7 | 2.5 | 28 | ||||
| J-X□/2.0/1.3 | 80 | 1.3 | 2.0 | 32 | ||||
| J-X□/1.6/1.0 | 100 | 1.0 | 1.6 | 35 | 15 接管套 |
30 | ||
| J-X□/1.3/0.8 | 125 | 0.8 | 1.3 | 38 | ||||
| J-X□/1.0/0.6 | 150 | 0.6 | 1.0 | 42 | ||||
| J-X□/0.8/0.4 | 180 | 0.4 | 0.8 | 45 | ||||
| 老款技術參數: |
|
型號 |
流量 (l/h) |
壓力(Mpa) |
柱塞直徑(mm) |
行程(mm) |
沖次(min-1) |
功率(kw) |
凈出口徑(DN) |
重量 (kg) |
|
J-X2.5/50 |
2.5 |
50 |
6 |
20 |
48/96 |
0.55 |
6 |
25 |
|
J-X2.5/38 |
2.5 |
38 |
6 |
0.37 |
||||
|
J-X4.2/32 |
4.2 |
32 |
8 |
0.55 |
||||
|
J-X4.2/21 |
4.2 |
21 |
8 |
0.37 |
||||
|
J-X8/20 |
8 |
20 |
10 |
0.55 |
||||
|
J-X8/13 |
8 |
13 |
10 |
0.37 |
||||
|
J-X12/14 |
12 |
14 |
12 |
0.55 |
||||
|
J-X12/9.0 |
12 |
9.0 |
12 |
0.37 |
||||
|
J-X20/7.6 |
20 |
7.6 |
16 |
0.55 |
||||
|
J-X20/5.4 |
20 |
5.4 |
16 |
0.37 |
||||
|
J-X32/5.0 |
32 |
5.0 |
20 |
0.55 |
||||
|
J-X32/3.5 |
32 |
3.5 |
20 |
0.37 |
||||
|
J-X50/3.2 |
50 |
3.2 |
25 |
0.55 |
||||
|
J-X50/2.2 |
50 |
2.2 |
25 |
0.37 |
10 |
28 |
||
|
J-X65/2.5 |
65 |
2.5 |
28 |
0.55 |
||||
|
J-X65/1.7 |
65 |
1.7 |
28 |
0.37 |
||||
|
J-X80/2.0 |
80 |
2.0 |
32 |
0.55 |
||||
|
J-X80/1.3 |
80 |
1.3 |
32 |
0.37 |
||||
|
J-X100/1.6 |
100 |
1.6 |
35 |
0.55 |
15 |
30 |
||
|
J-X100/1.0 |
100 |
1.0 |
35 |
0.37 |
||||
|
J-X125/1.3 |
125 |
1.3 |
38 |
0.55 |
||||
|
J-X125/0.8 |
125 |
0.8 |
38 |
0.37 |
||||
|
J-X150/1.0 |
150 |
1.0 |
42 |
0.55 |
||||
|
J-X150/0.6 |
150 |
0.6 |
42 |
0.37 |
特點
1.柱塞泵使用的排出壓力范圍比較廣泛,且宜制成高壓泵
2.結構簡單,維修方便,價格具有競爭優勢
3.柱塞直徑很小,通常在6-50mm.
4.使用J緣,冷卻或加熱泵缸控制介質溫度。
應用
廣泛應用于化工、石油化工、電力、醫藥、采礦、造船、輕工、農業、國防等領域。
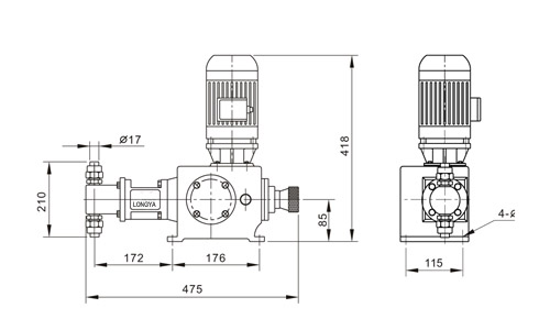
計量泵尺寸圖:

計量泵工程案例:
![]() |
![]() |
![]() |
![]() |