![]() |

|
|
||||||||||||||||||||||||||||||||||||||||||||||||||||||||||||||||||||||
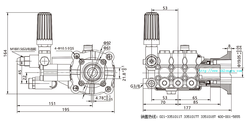
LYMV高壓柱塞泵

產品名稱: LYMV高壓泵頭
產品用途:清洗地面、清洗污垢
產品流量: 2-12L/min
產品壓力: 50-150bar
產品功率: 0. 55-4kw
產品轉速: 1450-3400rpm
產品重量: 5KG
包裝尺寸:長27cm*寬24cm*高23cm
使用工況:搭配高壓噴頭等可適用于清洗路面、清洗污垢等場合。

LYMV-C系列高壓柱塞泵參數表:
| 型號 | 流量 | 壓力 | 功率 | 轉速 |
| Type | L/min | bar | kw | rpm |
| LYMV0210 | 2 | 100 | 0.75 | 1450 |
| LYMV0410 | 4 | 100 | 1.1 | 1450 |
| LYMV0610 | 6 | 100 | 1.5 | 1450 |
| LYMV0910 | 9 | 100 | 2.2 | 2800 |
| LYMV1010 | 10 | 100 | 2.2 | 2800 |
| LYMV1210 | 12 | 100 | 2.2 | 3400 |
| LYMV1215 | 12 | 150 | 4 | 3400 |


更多選型報價,請咨詢上海龍亞泵閥制造有限公司銷售部:4OO-OO1-5655.
柱塞泵是液壓系統的一個重要裝置。它依靠柱塞在缸體中往復運動,使密封工作容腔的容積發生變化來實現吸油、壓油。柱塞在缸體中要往復運動,因此,它的運動量很大,在工作過程中需要承受巨大的摩擦力,因此,柱塞要求高的硬度、耐磨性和使用壽命以及高的精度等。通過研究,采用淬火熱處理可以滿足柱塞的技術要求。